
567彩票电话:0769-81666152
手机:15384224757
567彩票QQ:420867215
567彩票邮箱:zheng@dgpindi.com
567彩票地址:广东省东莞市长安镇长安振安西路78号1号楼四楼

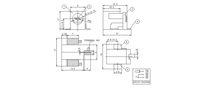
産品描述
技术指标:
| 使用温度范围 | -20-70℃ | 耐压 | 567彩票 AC250V(50Hz)/min |
| 567彩票 额定负荷 | DC 30V 0.5A-2.0A | 动作力 | 3~20N |
| 567彩票 接触电阻 | ≤0.05Ω | 寿命 | 5000次 |
| 567彩票 绝缘电阻 | ≥100MΩ |
|
|